汽車制造
產品概述
product description
查看大圖
產品特點
Features1.高性價比
低成本,花錢買回去的屬于通用工業機器人,可重復編程用于其他搬運、裝配作業,且可一年回收成本
2.長壽命
采用高精密高剛度諧波減速機,壽命可長達十年
3.高速性能
采用低速比高精度減速機,擁有超快的循環時間,最快循環時間可達0.4S
4. 高集成度
本體內置信號線與氣管即插即用,無需繁瑣接線,內部線纜無滑動,可長久保持無故障率。
5.高精度
除了采用高精度諧波減速機外,采用了進口高精密滾珠絲桿滾珠花鍵,末端重復定位精度達±0.01MM
6.高平滑性
采用先進控制系統及伺服驅動系統,實現高速而平滑的動作性能,幾乎做到過渡點零時間停頓。
7. 高剛性
其末端線性移動軸的特性,讓其在Z方向具有良好的剛度,此特性特別適合于裝配工作
8.負載檔位實用性
根據實際末端負載,客戶可調整負載檔位,簡單操作提高機器人運行節拍。
產品參數
Product parameters| 工業機器人 | HSR-SR3400 | |
| 自由度 | 4 | |
| 最大負載/額定負載 | 3kg/1kg | |
| 最大工作半徑 | 400mm | |
| 重復定位精度 | ±0.01mm | |
| 運動范圍 | J1 | ±132° |
| J2 | ±135° | |
| J3 | 0/-150mm | |
| J4 | ±360° | |
| 額定速度 | J1 | 360°/s,6.28rad/s |
| J2 | 470°/s,8.19rad/s | |
| J3 | 710mm/s | |
| J4 | 1500°/s,26.16rad/s | |
| 最高速度 | J1 | 530°/s,9.24rad/s |
| J2 | 700°/s,12.21rad/s | |
| J3 | 1065mm/s | |
| J4 | 2600°/s,43.35rad/s | |
| 容許慣性矩 | J4 | 0.05kg㎡/0.005kg㎡ |
| 容許扭矩 | J4 | 3.29Nm |
| 適用環境 | 溫度 | 0~45° |
| 濕度 | 20%~80% | |
| 其他 | 避免與易燃易爆或腐蝕性氣體、液體接觸,遠離電子噪聲源(等離子) | |
| 示教器線纜長度 | 8米 | |
| 本體-柜體連接線長度 | 3米 | |
| I/O參數 | 數字量:32位輸入(NPN PNP均可)31位輸出(NPN) | |
| 預留氣路 | 12位(航空插頭連接) | |
| I/O參數 | 3*Φ6 | |
| 電源容量 | 0.75kVA | |
| 額定功率 | 0.55kW | |
| 額定電壓 | 單相AC220V? 50HZ | |
| 額定電流 | 3A | |
| 防護等級 | IP54 | |
| 安裝方式 | 地面安裝、桌面安裝 | |
| 本體重量 | 15kg | |
| 控制柜防護等級 | IP53 | |
| 控制柜尺寸 | 500(寬)×270(厚)×530(高)-可立可臥 | |
| 控制柜重量 | 10.65KG | |
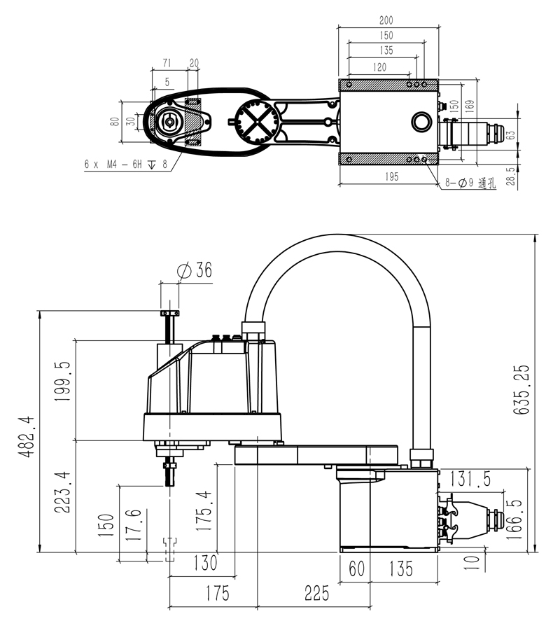
產品尺寸
Product Size

